

螺旋輸送機根據材質和行業及現場使用大體分為管式、U型、普鋼、不銹鋼等系列。
LS/GX系列螺旋輸送機產品概述:
LS型螺旋輸送機等效采用ISO1050-75標準,設計制造符合ZBJ81005.1~2-88《 LS螺旋輸送機 》專業標準。LS型螺旋輸送機直徑由100mm~1250mm,共十二種規格,分為單驅動和雙驅動兩種形式,單驅動螺旋機大長度可達40m(特大型30m),雙驅動螺旋機采用中間斷開軸結構,大長度可達80m(特大型60m),螺旋機長度每 0.5m 一檔,可根據需要選定,螺旋機頭部軸承、尾部軸承置于殼體外部減少了灰塵對軸承室的侵入提高了螺旋機關鍵件的使用壽命。中間吊軸承采用滾動、滑動可互換的兩種結構,阻力小、密封性強、耐磨性好。滑動軸承的軸瓦有粉末冶金、尼龍和巴氏合金等多種材料供用戶根據不同的場合選用。吊軸承機外側置式油杯,便于集中加油潤滑。進出料口位置布置靈活,并增設電動型出料口,便于自動控制,還可根據用戶要求,配置測速報警裝置。
LS型螺旋機一直被廣泛用于國民經濟各部門,如建材、冶金、化工、電力、煤炭、機械、輕工、糧食及食品行業,適宜輸送粉狀、顆粒狀、小塊狀物料,如水泥、煤粉、糧食、化肥、灰渣、沙子、焦炭等.不宜輸送易變質、粘性大、易結塊的物料,LS螺旋輸送機工作環境溫度通常為-20~40℃,輸送物料的溫度一般為-20~80℃,LS螺旋輸送機適宜水平和小傾角布置,傾角以不超過15°為宜,如傾斜角度過大請選用GX系列螺旋輸送機,或與我公司技術部門聯系進行單獨設計。
LS/GX系列螺旋輸送機主要特點及工作原理:
1.承載能力大、安全可靠。
2.適應性強、安裝維修方便、壽命長。
3.整機體積小、轉速高、確保快速均勻輸送。
4.密封性好、外殼采用無縫鋼管制作,端部采用法蘭互相連接成一體,剛性好。
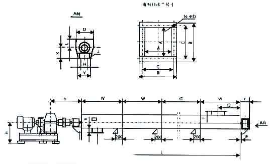
LS/GX系列螺旋輸送機安裝示意圖:

LS/GX系列螺旋輸送機結構圖:

LS\GX系列螺旋輸送機主要技術參數:
| LS型 | 100 | 160 | 200 | 250 | 315 | 400 | 500 | 630 | 800 | 1000 | 1250 |
| GX型 | 200 | 250 | 300 | 400 | 500 | ||||||
| 螺旋直徑(mm) | 100 | 160 | 200 | 250 | 315 | 400 | 500 | 630 | 800 | 1000 | 1250 |
| 螺距(mm) | 100 | 160 | 200 | 250 | 315 | 355 | 400 | 450 | 500 | 560 | 630 |
| 轉速(r/min) | 140 | 120 | 90 | 90 | 75 | 75 | 60 | 60 | 45 | 35 | 30 |
| 輸送量QΦ=0.33(m3/h) | 2.2 | 7.6 | 11 | 22 | 36.4 | 66.1 | 93.1 | 160 | 223 | 304 | 458 |
| 功率Pd 1=10m(KW) | 1.1 | 1.5 | 2.2 | 2.4 | 3.2 | 5.1 | 4.1 | 8.6 | 12 | 16 | 24.4 |
| 功率Pd 1=30m(KW) | 1.6 | 2.8 | 3.2 | 5.3 | 8.4 | 11 | 15.3 | 25.9 | 36 | 48 | 73.3 |
| 轉速(r/min) | 120 | 90 | 75 | 75 | 60 | 60 | 45 | 45 | 35 | 30 | 20 |
| 輸送量QΦ=0.33(m3/h) | 1.9 | 5.7 | 18 | 18 | 29.1 | 52.9 | 69.8 | 125 | 174 | 261 | 305 |
| 功率Pd 1=10m(KW) | 1.0 | 1.3 | 2.1 | 2.1 | 2.9 | 4.1 | 4.7 | 6.8 | 9.4 | 14.1 | 16.5 |
| 功率Pd 1=30m(KW) | 1.5 | 2.3 | 4.5 | 4.5 | 7 | 8.9 | 11.6 | 20.4 | 28.3 | 42.2 | 49.5 |
| 轉速(r/min) | 90 | 75 | 60 | 60 | 45 | 45 | 35 | 35 | 30 | 20 | 16 |
| 輸送量QΦ=0.33(m3/h) | 1.4 | 4.8 | 15 | 15 | 21.8 | 39.6 | 54.3 | 97 | 149 | 174 | 244 |
| 功率Pd 1=10m(KW) | 0.9 | 1.2 | 1.9 | 1.9 | 2.5 | 3.4 | 4.3 | 5.4 | 8.1 | 9.5 | 13.3 |
| 功率Pd 1=30m(KW) | 1.2 | 2.2 | 3.8 | 3.8 | 5.4 | 6.8 | 9.2 | 16 | 24.4 | 28.6 | 39.9 |
| 轉速(r/min) | 75 | 60 | 45 | 45 | 35 | 35 | 30 | 30 | 20 | 16 | 13 |
| 輸送量QΦ=0.33(m3/h) | 1.2 | 3.8 | 11 | 11 | 17 | 31.7 | 46.5 | 73.0 | 99.3 | 139 | 199 |
| 功率Pd 1=10m(KW) | 0.75 | 1.1 | 1.6 | 1.6 | 2.1 | 3.1 | 3.7 | 4.6 | 5.7 | 7.7 | 11 |
| 功率Pd 1=30m(KW) | 1.1 | 1.8 | 3.4 | 3.4 | 4.4 | 5.6 | 8 | 14 | 16.7 | 23.2 | 33 |